Aizvērt grozu
Ostukorv Grozs
Teie ostukorv on tühi.
Peamenüü
Kataloog

Tootekataloog

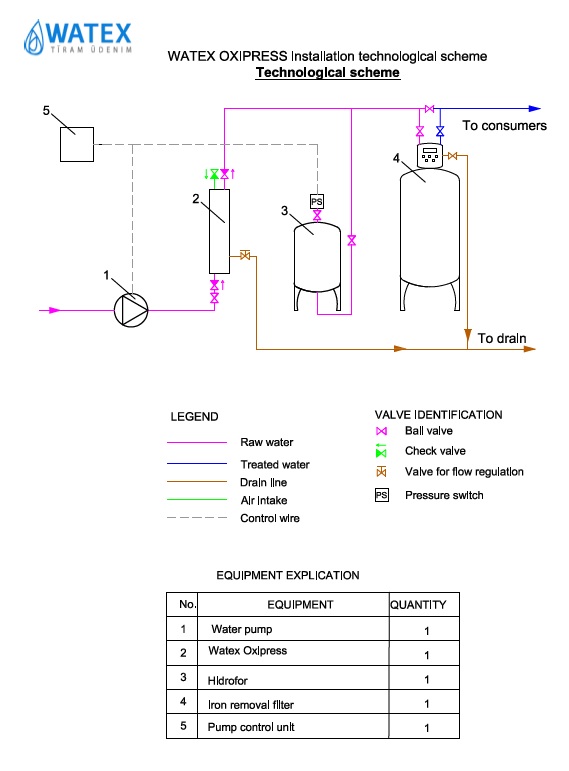
Oxipress

Tootja: CANATURE
Tootekood: OXI1
Nav pieejams Laost otsas
Piegāde Tarneaeg: 2-5 tööpäeva
Toote kirjeldus
Tehnilised andmed
Manused

Seade Oxipress, mis rikastab vett õhuga. Protsessis juhtub, oksüdeeruv kahjulike lisandite. Oksüdeeruv rauda ja mangaani,toodetakse oksiidid, mida saab kergesti eemaldada abil vees,mehaaniliste filtritega.Seade saab kasutada lõhna eemaldamine, mis esinevad juhul lisandite mis sisaldavad väävliühendeid.

 

 
 

 

Laius (cm) Kõrgus (cm) Pikkus (cm) Kaal (kg)
12 12 78 6.4
Aizvērt
See on hea valik!
Lisateave selle toote kohta. Meie spetsialist võtab teiega peagi ühendust!
Tootja:
Tootekood:
Kogus
-
+